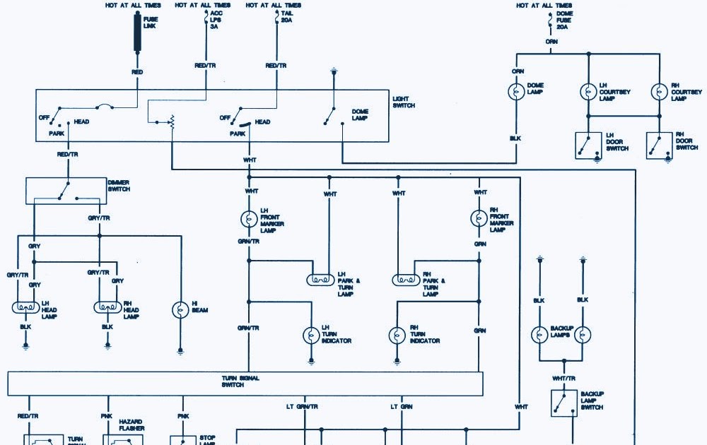
Cj7 Headlight Switch Wiring Diagram

View Cj7 Headlight Switch Wiring Diagram Background. Anyway i need help wiring the headlight switch. The best method to understand wiring diagrams is to examine some examples of wiring diagrams.

63 Headlight switch pinout??? Help desperately needed ...
63 Headlight switch pinout??? Help desperately needed ... from www.fordmuscleforums.com
Interior lights, personal light, luggage compartment light, ignition switch light, open door warning light, clock, radio, cassette tape player, power antenna, vanity lights. Currently my headlight is always on which i like. In the painless wiring instructions, 2.

At some point i realized the headlights did not respond to any input from the switch.

Click to zoom in or use the links below to download a printable word document or a printable pdf document. One for the interior lights, and one for the headlights/foglights. Normal headlight operation will also turn on the tail lights by grounding pin 18, should be a yellow wire. You will never be happier.


0 Response to "Cj7 Headlight Switch Wiring Diagram"

Post a Comment

Iklan Atas Artikel

Iklan Tengah Artikel 1

Iklan Tengah Artikel 2

Iklan Bawah Artikel